Сертификация
Мы уже соотрудничаем с компанией Wuzheng выпрямитель более 6 лет. Обнаружили, что они удивительными, эффективным и надежным.
—— Oliver
Компания Wuzheng выпрямитель очень дружно с клиентами, действительно заботятся о клиентах, и мы можем получать отличные товары с хорощими качеством и ценой.
—— David
- Сейчас чат он-лайн
Модули Диодные WZDZ600N12-18K

Место исхождения: Хубэй, Китая (Континент)
Бренд : TECHELE
Конструкция: модульное исполнение
Подробная информация
Техническая параметры:
Максимальное импульсное обратно напряжение 1200-1800 В
Повторяющееся импульсное напряжение 1200-1800 В
Максимально допустимый средний ток 600 A
Прямой ограниченный ток 1150 A
Рабочая температура -40-+150 ℃
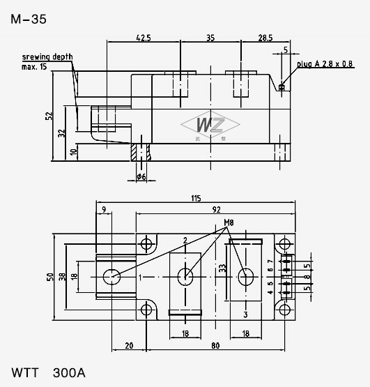
Корпус M-35
Технический документ
Тип корпуса продуктов



